Transformator de curent CT
Transformator de curent electric turnat cu rășină
  • Transformator de curent electric turnat cu rășinăTransformator de curent electric turnat cu rășină
  • Transformator de curent electric turnat cu rășinăTransformator de curent electric turnat cu rășină

Transformator de curent electric turnat cu rășină

Wenzhou XiFa Electric Power Equipment Co., Ltd este o producție profesionistă pentru a produce transformator de curent electric turnat cu rășină, unde adoptă un aparat de comutație electric de 10 kv până la 35 kv. În Wenzhou XiFa, echipa producătoare a turnat rășină epoxidică în mediu vid pentru a îndepărta bulele din partea laterală a transformatorului de curent și pentru a preveni descărcarea parțială la suprafață. Între timp, transformatorul de curent electric turnat în rășină este proiectat ca structură de izolație multistrat pentru a obține o performanță mai bună la rezistența la tensiune și stabilitatea pe termen lung.

Transformatorul de curent electric turnat cu rășină este o unitate de interior, turnată în vid, din rășină epoxidică, tip post, proiectată pentru sisteme de alimentare cu nivel de tensiune de 10 kv cu o frecvență nominală de 50 Hz. Este folosit în principal pentru măsurarea curentului, măsurarea energiei și releu de protecție.

Transformatorul de curent electric ct turnat în rășină adoptă un proces de turnare a rășinii epoxidice complet închis, în care miezul este realizat din material magnetic de înaltă calitate, iar bobinele primare și secundare împreună cu miezul sunt încorporate în rășină. Această construcție oferă performanțe excelente la izolație, rezistență la umiditate și rezistență la poluare. Suprafața unui transformator de curent electric turnat în rășină nu necesită un strat suplimentar, iar transformatorul de curent poate fi instalat în mai multe poziții.

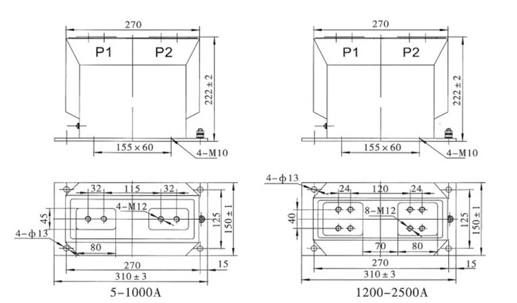
Gama acoperă atât clasele de măsurare, cum ar fi 0.2S și 0.5S, cât și clasele de protecție, cum ar fi 10P10 și 10P20. Un design cu raporturi multiple este disponibil pe un transformator de curent electric turnat cu rășină, pentru a-l face bine potrivit pentru utilizarea în panouri electrice placate cu metal.

Resin Cast Electrical Ct Current TransformerResin Cast Electrical Ct Current Transformer

Specificatii tehnice:

Tip Curent nominal primar (A) Clasa de precizie Clasa de precizie și ieșire nominală cosΦ=0,8 Curent termic Shory-Time (kA/S) Curent dinamic nominal (kA)
0,2 (s) 0,5 (s) 10P10 10P15 10P20
LZZBJ9-10 5-150 0,2s/0,5 0,2s/10P 0,2/10P 0,5s/10P 0,5/10P 10 10 15 15 10 100I1n 250I1n
200-300 31.5 80
400-500 45 112
600-1000 63 130
1200-1500 80 160
2000-2500 100 180

Resin Cast Electrical Ct Current Transformer

Întrebări frecvente despre produs:

Î: Ce parametri tehnici ar trebui să verificați atunci când alegeți un transformator de curent electric turnat cu rășină?

R: Următorii parametri cheie trebuie verificați la selectare:

1.Clasa de precizie: Pentru măsurare/măsurare (de exemplu, 0,2 s sau 0,5) și în scopuri de protecție (de exemplu, 10P10, 5P10 etc.).

2.Curentul primar nominal și curentul secundar (raportul de transformare).

3.Curentul termic de scurtă durată (Ith) și capacitatea de rezistență a curentului de scurtă durată (pentru condiții de defecțiune).

4. Niveluri de izolare (rezistență la tensiune, tensiune nominală de impuls etc.).

5.Toleranțe de mediu: interval de temperatură, altitudine, umiditate, nivel de poluare.

6. Sarcina: sarcina VA pe care secundarul trebuie să o conducă fără a degrada acuratețea.

Î: În ce medii sau aplicații sunt potrivite în special transformatoarele de curent electrice turnate în rășină?

R: următorul mediu sau aplicație sunt potrivite pentru un transformator de curent electric turnat cu rășină:

1. Aparatură interioară, unde spațiul este limitat și izolarea este crucială.

2.În medii dure sau poluate (praf, umiditate, substanțe chimice) unde părțile deschise sau uleiul se pot degrada.

3. În circuitele de măsurare și protecție care necesită măsurare stabilă și precisă pe perioade lungi.

4.Aplicații în care întreținerea redusă și fiabilitatea ridicată sunt importante.

Hot Tags: Furnizor de transformatoare de curent turnate în rășină, producător de transformatoare electrice CT, transformatoare personalizate CT cu ridicata
Trimite o anchetă
Informatii de contact

Pentru a obține oferta dvs. cât mai curând posibil

XiFa-furnizorul dvs. de încredere de echipamente electrice
X
Folosim cookie-uri pentru a vă oferi o experiență de navigare mai bună, pentru a analiza traficul site-ului și pentru a personaliza conținutul. Prin utilizarea acestui site, sunteți de acord cu utilizarea cookie-urilor. Politica de confidențialitate
Respinge Accepta