Transformator de curent CT
Tipul plăgii 5p10 5p20 Ct 100 150 400 5a
  • Tipul plăgii 5p10 5p20 Ct 100 150 400 5aTipul plăgii 5p10 5p20 Ct 100 150 400 5a

Tipul plăgii 5p10 5p20 Ct 100 150 400 5a

Pentru a furniza transformatoare potențiale și transformatoare de curent de înaltă calitate, Wenzhou XiFa Electric Power Equipment Co., Ltd oferă servicii personalizate clienților, cum ar fi producerea și furnizarea de tip rană 5p10 5p20 ct 100 150 400 5a. În WenZhou XiFa electric, echipa producătoare păstrează inventarul pentru transformatoare de curent de tip obișnuit, cum ar fi un transformator de curent 100/5a 10p10 0,5, pentru a asigura livrarea rapidă. Cu toate acestea, compania acceptă servicii personalizate pentru a satisface diverse cereri de energie electrică, cum ar fi transformatorul de curent de alimentare al cărui clasa de protecție este 5p10 sau 5p20.

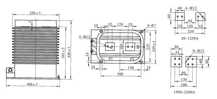
Transformatorul de curent de tip bobinat este proiectat pentru măsurarea fiabilă a curentului și protecție în sistemele de alimentare cu tensiune medie, cum ar fi 10kv, 20kv și 35kv. Disponibil în rapoarte de curent de 100/5A, 150/5A și 400/5A și cu clase de precizie de protecție 5P10 și 5P20, acest tip de rană 5p10 5p20 ct 100 150 400 5a oferă o ieșire de curent secundar precisă, potrivită atât pentru aplicații de măsurare, cât și pentru releu de protecție.

Fabricat cu miezuri magnetice solide și bobine secundare, transformatorul de curent de tip bobinat asigură o performanță stabilă în condiții de scurtcircuit și oferă o transformare precisă a curentului chiar și în timpul evenimentelor tranzitorii. Sistemul său robust de izolație, care încorporează adesea rășină epoxidică sau de calitate superioară, asigură siguranță, durată lungă de viață și rezistență la umiditate și stresul mediului.

Designul tip bobinat permite instalarea flexibilă în aparate de comutare, panouri de control și tablouri de distribuție, pentru a oferi suport de încredere pentru schemele de protecție cu relee. Transformatorul de curent de tip bobinat este ideal pentru instalații industriale, facilități comerciale și rețele de distribuție a utilităților unde măsurarea precisă și fiabilă a curentului este esențială atât pentru monitorizarea operațională, cât și pentru controlul de protecție.

Wound Type 5p10 5p20 Ct 100 150 400 5a

Specificatii tehnice:

Tip Curent nominal primar (A) Clasa de precizie Clasa de precizie și ieșire nominală cosΦ=0,8 Curent termic Shory-Time (kA/S) Curent dinamic nominal (kA)
0,2 (s) 0,5 (s) 10P10
LZZBJ9-35 20-100 0,2/0,2 0,2/0,5 0,2/5P20 0,5/5P20 0,2/0,5/5P 0,2/5P/5P 10 10 15 150I1n 375I1n
150-200 31.5 80
300-500 31,5/2 80
600-1250 15 30 20 31,5/4 80
1500-2000 20 40 30 40/4 125
2500 20 40 20 40/4 125


Tip Curent nominal primar (A) Clasa de precizie Capacitate (VA) Curent termic Shory-Time (kA/S) Curent dinamic nominal (kA)
LZZBJ9-35 10 0,2/10P10 0,5/10P10 0,2/5P20 0,5/5P20 0,2/0,5/10P10 0,2/0,5/5P20 0,2/10P10/5P20 0,5/10P10/5P20 15/20 20/20 15/20 20/20 15/20/20 15/20/20 15/20/20 20/20/20 1,5/1 3.75
20 2/1 5
30 3/1 7.5
40 4/1 10
50 5/1 12.5
75 7,5/1 18.75
100 10/1 25
150 15/1 37.5
200 20/1 50
300 31,5/1 80
400 31,5/2 80
500 31,5/2 80
600 31,5/2 80
800 31,5/3 80
1000 31,5/3 80
1200 31,5/3 80
1500 31,5/3 80
2000 31,5/3 80

Wound Type 5p10 5p20 Ct 100 150 400 5a

Întrebări frecvente despre produs:

Î: Ce înseamnă „tipul de rană 5P10” sau „5P20” într-o rană de tip 5p10 5p20 ct 100 150 400 5a?

R: Termenul „tip bobinat” se referă la TC în care conductorul primar este o înfășurare înfășurată mai degrabă decât o bară sau o bară prin miez. Clasa 5P10 sau 5P20 indică precizia protecției: 5P înseamnă o eroare de până la 5% la curentul secundar nominal, iar numărul 10 sau 20 este multiplu de scurtă durată maxim admisibil al curentului primar nominal fără a depăși eroarea specificată.

Î: Cum aleg evaluarea corectă CT pentru sistemul meu?

R: Selectați un CT pe baza curentului maxim de sarcină și a cerințelor de protecție ale sistemului dumneavoastră. De exemplu, un CT de 100/5A este potrivit pentru circuite cu curenți tipici în jur de 100 A, în timp ce 400/5A este proiectat pentru alimentatoare cu curent mai mare. Alegeți o clasă de protecție (5P10 sau 5P20) în funcție de sensibilitatea de detectare a defecțiunilor releului și de curentul de scurtcircuit așteptat.

Î: Ce condiții de mediu se pot descurca tipul de rană 5p10 5p20 ct 100 150 400 5a?

R: Aceste transformatoare de curent de tip bobinat sunt de obicei evaluate pentru temperaturi ambientale de la –10 °C la +40 °C, cu o altitudine maximă de 1000 m. Materialele carcasei și sistemele de izolație sunt proiectate pentru funcționare rezistentă la umiditate, praf și poluare, pentru a asigura o performanță de protecție fiabilă în setările industriale și de utilități.




Hot Tags: Tip ranura 5p10 5p20 Ct 100 150 400 5a, Furnizor de transformatoare de curent, Transformatoare de masurare cu ridicata
Trimite o anchetă
Informatii de contact

Pentru a obține oferta dvs. cât mai curând posibil

XiFa-furnizorul dvs. de încredere de echipamente electrice
X
Folosim cookie-uri pentru a vă oferi o experiență de navigare mai bună, pentru a analiza traficul site-ului și pentru a personaliza conținutul. Prin utilizarea acestui site, sunteți de acord cu utilizarea cookie-urilor. Politica de confidențialitate
Respinge Accepta