Transformator de curent CT
Secvență zero Ct Transformator de curent Tip gogoși
  • Secvență zero Ct Transformator de curent Tip gogoșiSecvență zero Ct Transformator de curent Tip gogoși
  • Secvență zero Ct Transformator de curent Tip gogoșiSecvență zero Ct Transformator de curent Tip gogoși

Secvență zero Ct Transformator de curent Tip gogoși

Pentru a produce un transformator de curent cu secvență zero de calitate solidă tip gogoșă, Wenzhou XiFa Electric Power Equipment Co., Ltd adoptă materii prime de bună calitate și preț competitiv. În procesul de înfășurare, Wenzhou XiFa adoptă sârmă emailată de cupru fără oxigen pentru a asigura conductivitatea electrică și rezistența mecanică pentru fiecare tip de gogoșă de transformator de curent cu secvență zero. Între timp, în procesul de producere a miezului, Wenzhou XiFa utilizează tablă de oțel siliconic cu permeabilitate magnetică ridicată pentru a menține o performanță excelentă la răspunsul sensibil la curentul de secvență zero minuscul.

Un transformator de curent cu secvență zero este un dispozitiv cu o singură rotație, prin miez, utilizat în sistemele de alimentare pentru a monitoriza curenții cu secvență zero. Acesta servește ca o componentă critică a sistemelor de relee de protecție, care este folosită în principal pentru detectarea defecțiunilor la pământ, curenții de scurgere și monitorizarea izolației. Prin detectarea sumei vectoriale a curenților trifazici și a curentului de secvență zero rezultat, transformatorul de curent cu secvență zero poate declanșa operațiuni de protecție și poate interfața cu selectoare de împământare cu curent scăzut, dispozitive digitale de suprimare a armonicilor și unități de protecție a releului pentru a furniza alerte de defecțiune și deconecta alimentarea.

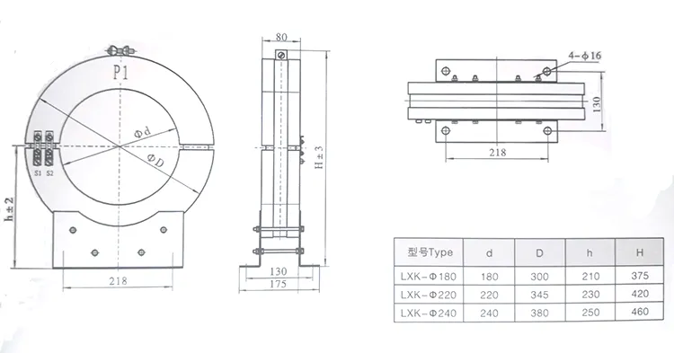
Din punct de vedere structural, transformatorul de curent cu secvență zero constă dintr-un miez toroidal și o înfășurare secundară încapsulate într-o carcasă din rășină epoxidica sau cauciuc siliconic, oferind rezistență la umiditate și protecție împotriva poluării. Opțiunile de instalare includ solide, care necesită cabluri pre-trecute și design cu miez divizat, care permit modernizarea fără a deconecta cablurile.

Este compatibil cu sistemele de alimentare de 50 Hz, care oferă sensibilitatea și liniaritatea necesare pentru diferite configurații de puncte neutre, inclusiv sistemele împământate și neîmpământate. Transformatoarele de curent cu secvență zero sunt aplicate pe scară largă în rețelele inteligente, tranzitul feroviar, sistemele electrice ale clădirilor și monitorizarea echipamentelor industriale, pentru a oferi o detectare fiabilă a defecțiunilor și protecție a sistemului.

Zero Sequence Ct Current Transformer Donut TypeZero Sequence Ct Current Transformer Donut Type

Tip Tip de releu Metoda de conectare Valoare la scară Curentul primar Tip Tip de releu Metoda de conectare Valoare la scară Curentul primar
LXK-Φ80 LXK-Φ100 LXK-Φ120 LXK-Φ150 DD11/60 Serie 15*1 2,4-4,5 LXK-Φ180 LXK-Φ220 LXK-Φ240 DD11/60 Serie 15*1 2,4-4,5
30*1 30*1
Paralel 15*2 3-5 Paralel 15*2 3-5
30*2 30*2
DD1/60 Serie 15*1 3-5 DD1/60 Serie 15*1 3-5
30*1 30*1
Paralel 15*2 3-6 Paralel 15*2 3-6
30*2 30*2

Zero Sequence Ct Current Transformer Donut Type

Întrebări frecvente despre produs:

Î: Ce este un transformator de curent cu secvență zero de tip gogoașă?

Un transformator de curent CT cu secvență zero de tip gogoși este un dispozitiv prin miez proiectat pentru a detecta curenții cu secvență zero în sistemele trifazate. Miezul său toroidal permite conductorului primar să treacă prin centru, oferind o monitorizare non-intruzivă a defecțiunilor la pământ, a curenților de scurgere și a condițiilor de izolație.

Î: Cum face semnalul de ieșire al transformatorului de curent cu secvență zero de tip gogoși?

R: Transformatorul de curent cu secvență zero de tip gogoșă convertește curentul cu secvență zero într-o tensiune proporțională sau curent secundar folosind tehnologia înfășurării de înaltă precizie și a bobinei Rogowski. Această ieșire este compatibilă cu relee, contoare și sisteme de monitorizare pentru detectarea rapidă și precisă a defecțiunilor.

Î: Care sunt aplicațiile tipice ale unui transformator de curent cu secvență zero de tip gogoși?

R: un transformator de curent ct cu secvență zero de tip gogoși este utilizat în mod obișnuit în:

1. Protecția defectelor la pământ și detectarea curentului de scurgere;

2.Monitorizarea punctului neutru în sistemele de distribuție a energiei electrice;

3. Integrare cu relee digitale de protecție, dispozitive de suprimare a armonicilor și sisteme de monitorizare a rețelei inteligente.

4.Echipamente industriale, rețele electrice ale clădirilor și sisteme de tranzit feroviar.




Hot Tags: Transformator de curent CT cu secvență zero, CT tip gogoasă, transformator de protecție împotriva defecțiunii la pământ
Trimite o anchetă
Informatii de contact

Pentru a obține oferta dvs. cât mai curând posibil

XiFa-furnizorul dvs. de încredere de echipamente electrice
X
Folosim cookie-uri pentru a vă oferi o experiență de navigare mai bună, pentru a analiza traficul site-ului și pentru a personaliza conținutul. Prin utilizarea acestui site, sunteți de acord cu utilizarea cookie-urilor. Politica de confidențialitate
Respinge Accepta