Transformator de potențial PT
Transformator de potențial monofazat de 13,8 Kv în stație
  • Transformator de potențial monofazat de 13,8 Kv în stațieTransformator de potențial monofazat de 13,8 Kv în stație

Transformator de potențial monofazat de 13,8 Kv în stație

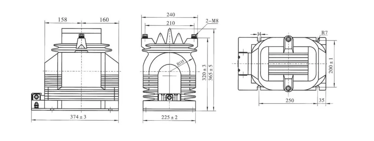
Pentru a produce un transformator de potențial monofazat fiabil de 13,8 kv în stație, Wenzhou XiFa Electric Power Equipment Co., Ltd adoptă oțel electric premium CRGO ca principal material al miezului pentru a reduce valoarea pierderii și pentru a îmbunătăți clasa de precizie și sârmă de cupru emailat de înaltă rezistență ca material principal al bobinei pentru a asigura raportul de spire și izolarea ture-la-turna prin bobinare de precizie. Din ce în ce mai mult, fiecare transformator de potențial monofazat de 13,8 kv din substație adoptă procesul de producție al turnării în vid a rășinii epoxidice pentru a face o structură generală solidificată care nu este ușor de absorbit umiditatea, care este potrivită pentru medii calde, umede și prăfuite.

Caracteristicile produsului:

Un transformator de potențial monofazat de 13,8 kv în stație este proiectat pentru a reduce tensiunea primară de 13,8 kv la o tensiune secundară standard, cum ar fi 100 sau 110 volți. Tensiunea redusă este apoi furnizată înfășurărilor paralele pentru a măsura instrumentele și releele de protecție, permițând măsurătorilor de tensiune primară să fie efectuate indirect cu instrumente de joasă tensiune. O astfel de abordare simplifică proiectarea instrumentelor, economisește costurile și asigură siguranța echipamentelor și a personalului de exploatare.


Principiul de funcționare al unui transformator de potențial monofazat de 13,8 kv este același cu un transformator de distribuție a puterii, al cărui raport de transformare este determinat de numărul de spire din bobinele primare și secundare. Creșterea numărului de spire secundare reduce raportul, în timp ce creșterea numărului de spire primare îl crește. Este important de reținut că în nici un caz circuitul secundar al unui transformator de potențial monofazat de 13,8 kv nu trebuie scurtcircuitat în timpul funcționării.

13 8 Kv Single Phase Potential Transformer In Substation

Specificatii tehnice:

Tip Raportul tensiunii nominale (kV) Clasa de precizie Clasa de precizie și ieșire nominală cosΦ=0,8 Max. Ieșire (VA)
0.2 0.5 1 6(P)
JDZ11-15 (15/√3)/(0,1/√3)/(0,1/3) 0,2/6P 0,5/6P 1/6P 30 80 150 100 400
JDZ11-20 (20/√3)/(0,1/√3)/(0,1/3)
JDZ11-15 (15/√3)/(0,1/√3)/(0,1/√3)/(0,1/3) 0,2/0,2/6P 0,2/0,5/6P 15 20 N / A 100 2*200
JDZX11-20 (20/√3)/(0,1/√3)/(0,1/√3)/(0,1/3)

13 8 Kv Single Phase Potential Transformer In Substation

Întrebări frecvente despre produs:

Î: Cum este un transformator de potențial monofazat de 13,8 kv diferit de un transformator de putere de 13,8 kv?

R: Deși ambele sunt dispozitive de conversie a tensiunii, un transformator de potențial monofazat de 13,8 kv este proiectat pentru măsurare și protecție, mai degrabă decât pentru transferul de putere. Sarcina sa nominală este relativ mică, de obicei exprimată în VA, în timp ce transformatoarele de putere gestionează sarcini cu o valoare mai mare, care se numără în kVA sau MVA.


Î: Ce metode de izolație sunt utilizate la un transformator de potențial monofazat de 13,8 kv?

A: Majoritateatransformatoare de potențialla acest nivel de tensiune, utilizați izolație turnată cu rășină epoxidică pentru interior sau carcase din porțelan/silicon pentru instalații exterioare. Unele modele folosesc izolație cu ulei pentru a obține o durată de viață extinsă și o capacitate termică mai mare.


Î: Cum ar trebui conectat un transformator de potențial monofazat de 13,8 kV într-o substație?

R: Pentru măsurarea fază la pământ, primarul PT este conectat între o fază și masă. Într-un sistem trifazat, un set de PT monofazate sau o unitate PT trifazată poate fi utilizat pentru a măsura tensiunile linie la linie și linie la masă.


Î: Ce probleme pot apărea cu transformatoarele de potențial monofazate de 13,8 kV din substații?

R: Problemele obișnuite includ degradarea izolației, ferorezonanța în anumite condiții de comutare, supraîncălzirea din cauza supraîncărcării și condițiile de circuit secundar deschis care pot cauza tensiuni periculos de ridicate.



Hot Tags: Transformator de potențial monofazat de 13,8 Kv în furnizor de substație, transformator de potențial de substație cu ridicata
Trimite o anchetă
Informatii de contact

Pentru a obține oferta dvs. cât mai curând posibil

XiFa-furnizorul dvs. de încredere de echipamente electrice
X
Folosim cookie-uri pentru a vă oferi o experiență de navigare mai bună, pentru a analiza traficul site-ului și pentru a personaliza conținutul. Prin utilizarea acestui site, sunteți de acord cu utilizarea cookie-urilor. Politica de confidențialitate
Respinge Accepta